包裝塑料薄膜TIKTOK色板免费网站IOS

TIKTOK色板免费网站IOS廠家講解三百六十個行業應用TIKTOK色板免费网站IOS的相關知識點。今天來講包裝用的塑料薄膜行業。塑料薄膜和薄片是包裝的流行選擇,並且可以保護許多日常物品免受剩餘食品到消費品的侵害。塑料製造商和包裝公司必須獲得其生產的塑料薄膜的準確機械性能,以確保它們滿足所需的期望,這一點至關重要。
1、包裝塑料薄膜的拉伸試驗原理
包裝塑料薄膜拉伸強度的試驗原理是,在塑料標準試樣的長度方向施加逐漸增加的拉伸載荷,
使之發生變形直至破壞,試樣破壞時所需要的最大拉伸應力就是拉伸強度。
試樣拉伸長度的變化用斷裂伸長率表示。在應力-應變曲線的屈服點之前的直線段上,選取適當的應力和應變,便可求出包裝塑料薄膜的彈性模量。
2、包裝塑料薄膜的拉伸TIKTOK黄APP下载介紹:
按照國家標準GB1040“塑料拉伸性能試驗方法”進行試驗,
由於包裝塑料薄膜這些樣品的斷裂力低,因此測試通常在單柱通用測試機上進行,例如500KG的單柱TIKTOK色板免费网站IOS。然而,由於許多薄膜樣品表現出高的斷裂伸長率,因此會引起複雜化。將這些標本與標準的標距配對時,有時可能需要額外高度的單柱或雙柱才能測試直至斷裂。如果有這方麵的需要,就需要谘詢定製。
3、包裝塑料薄膜的拉伸試驗方法:
按要求分別沿縱向、橫向切取試樣各5條,試樣的形狀與尺寸如圖所示,並在標準環境下處理所有試樣至平衡,處理時間不少於4h。
具體測試方法包括以下幾點。
①按照國家標準GB6672測量試樣厚度,每個試樣在標線內測量三個點的厚度,取算術平均值,精確到lmm。
②在試樣平行部分作標線,此標線不應該對測試結果有影響。
③夾持試樣,應使試樣的縱軸與TIKTOK黄APP下载的上、下夾具中心連線相重合,並且鬆緊合適。
④按規定速度(250±50)mm/min開動TIKTOK黄APP下载進行拉伸試驗。
⑤試樣斷裂後,讀取載荷和標線間距的伸長量。如果試樣在標線之外的某部位斷裂,應取新試樣重做試驗。
⑥測量彈性模量時,應安裝、調整測量變形記錄儀,記錄載荷和變形量。計算拉伸強度、斷裂伸長率和彈性模量。
在實際包裝使用過程中,包裝塑料薄膜的拉伸強度有一個限製範圍。在這個範圍內,變形後的薄膜可以恢複原狀。但是,若拉伸強度超出這個範圍,則變形後的薄膜不能恢複。
通常選用屈服強度作用包裝塑料薄膜的使用極限,如圖所示δS、δB分別代表屈服強度、拉伸強度。
屈服強度指試樣在屈服點所受的拉伸力,其特征為薄膜在延伸的過程中,拉伸力沒有明顯的增加,應力-應變曲線在這時呈現出相對水平的趨勢。需要注意的是,包裝塑料薄膜的縱向拉伸和橫向拉伸一般是不相同的。
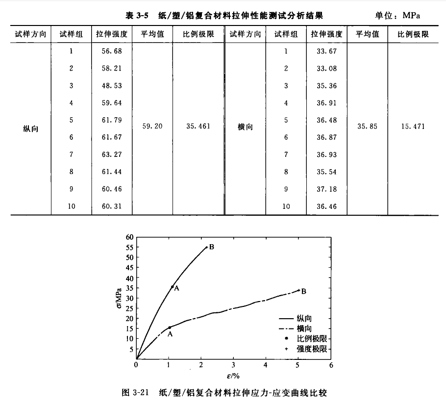
例如,表中、下圖中提供了飲品(如牛奶、飲料)利樂包裝用紙/塑/鋁複合包裝材料的沿縱向、橫向的拉伸特性及其曲線,拉伸速度100mm/min,在試樣兩端緩慢地施加單向載荷,直到試樣斷裂為止。
