十字接頭與搭接接頭TIKTOK黄APP下载拉伸試驗
針對金屬板材的十字接頭盒搭接接頭,國標GB/T26957-2011規定了帶有橫向應力角焊縫焊接接頭拉伸試驗的程序和試樣尺寸要求,測定抗拉強度與斷裂位置,使用TIKTOK黄APP下载完成測試。
一、十字接頭與搭接接頭TIKTOK黄APP下载拉伸試驗原理:
試驗設備:KZ拉力TIKTOK黄APP下载
原理:對焊接接頭試樣連續施加拉伸力直至破斷。
除非另有規定,試驗溫度一般在常溫下進行。
除非另有規定,拉伸試驗按GB/T228進行。
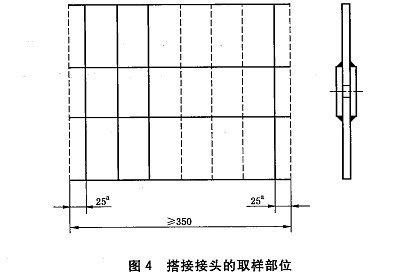
試樣的截取,不得影響到試樣性能變化。
二、十字接頭與搭接接頭取樣部位



